换热设备操作规程知识分享
2023-07-05 九游体育在线注册,九游体育(中国)
检修防误专项安全措施知识分享
2023-07-03 九游体育在线注册,九游体育(中国)
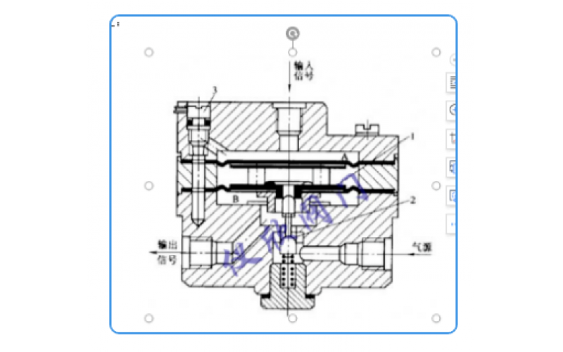
详解气动继动器知识分享
工业自动化仪表设计安装容易忽略的问题
仪表测量范围,量程,示值范围的区别知识分享
2023-06-30 九游体育在线注册,九游体育(中国)
变电站蓄电池组开路的严重后果及应对知识分享
粉尘多的工厂用哪种变频器合适?
仪表线路、电缆、电线及光缆敷设施工知识分享
2023-06-29 九游体育在线注册,九游体育(中国)